Progetti

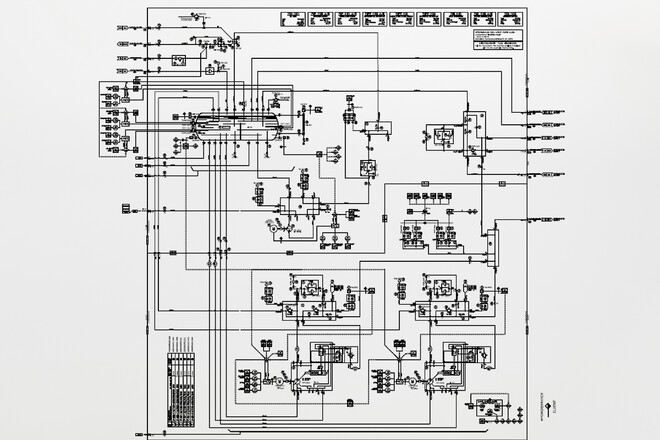
Hydraulic Oil Unit per gestione ESD Emergency Shut Down di un impianto petrolchimico

Impianti idraulici di comando attuatori e valvole che operano fino a 3600 bar all’interno del processo di produzione di polimeri termoplastici come polietilene a bassa densità o EVA.

Serve un aiuto veloce?

Il nostro personale tecnico qualificato è al Vostro servizio per aiutarvi ad individuare la soluzione più idonea alle Vostre esigenze 

Hydroservice si distingue sul mercato per il personale tecnico altamente specializzato e costantemente aggiornato, sia nella fase della progettazione-consulenza, che in quella produttiva.



Hydroservice Staff

Per una migliore esperienza di navigazione, acconsento al trattamento dei dati per finalità marketing

Il/La sottoscritto/a, acquisite le informazioni fornite dal titolare del trattamento ai sensi dell'articolo 13 del D.lvo 196/2003 attraverso la nota sulla privacy presta il suo consenso al trattamento dei dati personali per le finalità indicate nella suddetta nota.

Invia